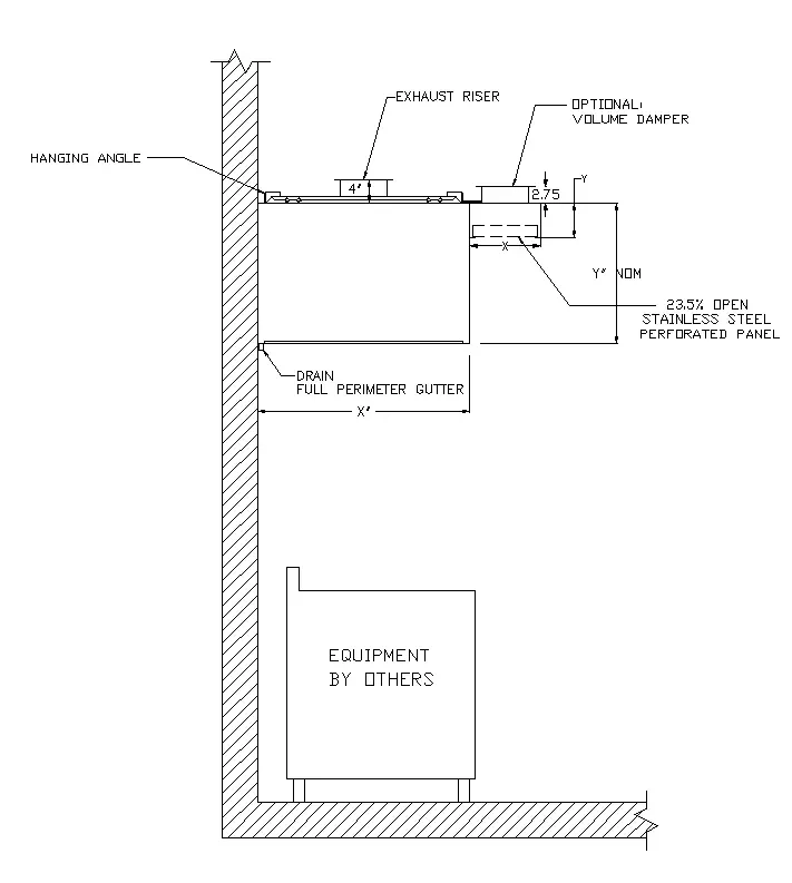
Single Wall with Gutter and PSP Section View