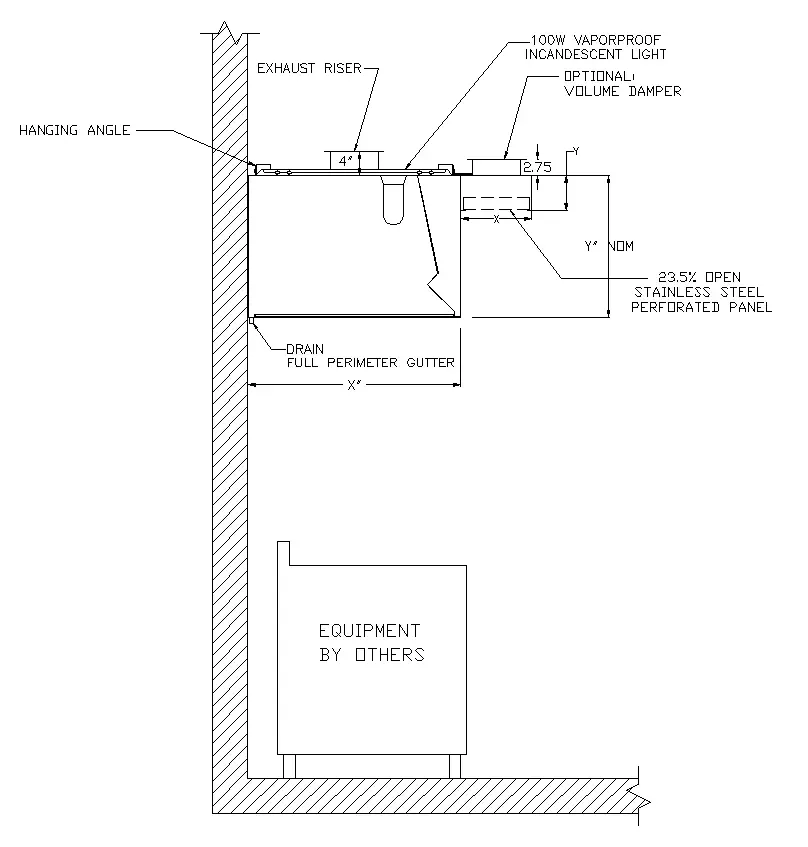
Double Wall with Gutter and PSP Section View